Product Description
Eaton D1 Series:
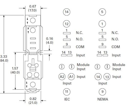
The D1 Series of relay provides a compact single-pole relay capable of handling 15 A. Multiple features and voltage options allow the perfect fit for any application.
- 1-Pole SPDT Socket
- 5-Blade
Eaton D1 Series:
The D1 Series of relay provides a compact single-pole relay capable of handling 15 A. Multiple features and voltage options allow the perfect fit for any application.